PRODUKTY
Doplňky
AKTUALITY
Parapety
Parapety venkovní
Nabízíme tyto druhy venkovních parapet:
- ohýbaný pozinkovaný plech tl. 0,6mm bez povrchové úpravy.
- ohýbaný pozinkovaný plech tl. 0,6mm s povrchovou úpravou vypalovanou práškovou barvou(komaxit). Standardně 2 barvy; bílá RAL 9016 a hnědá RAL 8017, ostatní barvy dle vzorníku RAL za příplatek.
- ohýbaný pozinkovaný plech tl.0,7mm s povrchovou úpravou + PVC bočnice. Standardně 2 barvy; bílá RAL 9016 a hnědá RAL 8017, ostatní barvy dle vzorníku RAL za příplatek
Bílá RAL 9016
Hnědá RAL 8017
- ohýbaný titanzinkový plech tl. 0,6mm.
- ohýbaný měděný plech tl. 0,6mm.
- ohýbaný hliníkový plech tl. 0,8mm + PVC bočnice. Standardně 2 barvy; bílá RAL 9016 a hnědá RAL8019
Bílá RAL 9016
Hnědá RAL 8019
- extrudovaný(tažený) hliníkový plech tl. 1,5-2,8mm + PVC (popř. Al) bočnice. Standardně 5 barev; bílá RAL 9016, hnědá RAL 8019, hnědá RAL 8003, elox stříbrný(CO), elox bronzový(C33); ostatní barvy dle vzorníku RAL za příplatek
RAL 9016
Elox stříbrný
RAL 8003
Elox bronz
RAL 8019
Parapety vnitřní
Nabízíme tyto druhy vnitřních parapet:
- plastové okenní komůrkové parapety „s nosem“ vyráběné z vysoce kvalitního PVC-U materiálu a CPL melaminových fólií(na bázi pryskyřice) pro zvýšenou odolnost proti poškrábání. Parapety nabízíme v 6-ti základních dekorech.
Vzorník barev standardně nabízených vnitřních komůrkových parapetních desek






Spodní strana parapetů je profilovaná pro lepší uchycení ke špaletě. Maximální délka parapetní desky 6000mm. K plastovým okenním parapetům nabízíme oboustranné plastové boční krytky s UV stabilizátorem ve dvou rozměrech 290mm a 630mm a pěti barvách(bílá, šedá, třešeň, světle hnědá a tmavě hnědá).
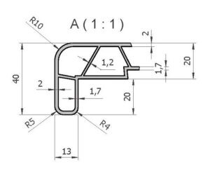
Řez komůrkovou parapetní deskou
Boční krytka parapetní desky
- dřevotřískové okenní parapety „s nosem“; základem desky je nosič, který se vyrábí z 16mm voděodolné DTD desky, nos parapetu je zesílen a vyrábí se z 25mm DTD. Povrch parapetní desky tvoří vysoce oděruvzdorný laminát CPL/HPL. Laminát je stálobarevný a odolný proti UV záření. Na zadní straně parapetu je nalepena nažehlovací hrana, ze spodní strany je nalisován speciální impregnovaný protitah, který slouží k zabránění vzlínání vlhkosti. Parapety nabízíme ve 13-ti základních dekorech. Maximální délka parapetní desky 4050mm.
Vzorník barev standardně nabízených vnitřních dřevotřískových parapetních desek
Kaštan
Tmavý dub
Bílá
Buk
Šedá
Carera
Kraket
Casablanca
K dřevotřískovým okenním parapetům v profilu L200 nabízíme oboustranné plastové boční krytky s UV stabilizátorem, maximální délce 600mm a osmi základních barvách(bílá, šedá, javor, hnědá, kaštan, třešeň, mahagon, tmavý dub).
KONTAKT
Pavel Knězek, s.r.o.
Martinská čtvrť 1711
744 01 Frenštát p.R.
Tel: 556 836 639
Tel/Fax: 556 836 898
prodej@knezek-okna.cz
NAPIŠTE NÁM

